大東海泵業無錫有限公司
銷售總部:江蘇無錫新吳區長江路21-1號創源大廈309
生產基地:無錫市東港鎮
銷售熱線:0510-82108358
銷售熱線:0510-82116911
聯系電話:13395114288
QQ: 2634113519


大東海泵業無錫有限公司
銷售總部:江蘇無錫新吳區長江路21-1號創源大廈309
生產基地:無錫市東港鎮
銷售熱線:0510-82108358
銷售熱線:0510-82116911
聯系電話:13395114288
QQ: 2634113519


污水處理設備是污水處理方面的大類名詞,以往的污水處理設備里面包含的設備有各類污水泵、離心機、污泥脫水機、曝氣機、微濾機、氣浮機、格柵等輔助設備。目前常用到的污水處理設備有哪些呢?常用的污水處理設備是污水提升泵、一體式污水處理設備,一體式污水處理設備里面包含了各類輔助設備。一體式污水處理設備主要分為:地埋式生活污水處理設備、一體化生活污水提升設備、油水分離污水處理設備。
一、地埋式生活污水處理設備
地埋式生活污水處理設備主要是針對生活污水以及工業污水設計的一款埋入地下的污水處理設備,該污水處理設備運用的目前成熟的接觸氧化法生化污水處理技術,依據水質的情況通常將生活污水處理步驟分為六個步驟,依次順序是:初沉池、接觸氧化池、二沉池、消毒池、污泥池、風機房。
可以參考下圖查看地埋式污水處理結構圖:

二、一體化生活污水提升設備
一體化污水提升設備主要適應與普通生活污水及廢水的提升排放。新修建的建筑物在使用一體化生活污水提升設備必須先清理掉管道里面的建筑垃圾,該系列污水處理設備適應輸送的介質PH值為PH4-10之間,在沒有該系列產品之前每個建筑物的生活污水都必須建造一個地下污水集水池然后再安裝污水提升泵把污水排到室外污水處理站。常用的污水提升泵產品通常是采用潛水排污泵或者帶攪勻功能的或自動攪勻排污泵也可以選用帶切割排污泵產品,污水提升泵直接裝在污水池里使用容易出現由于污水里面雜質及纖維含量太大導致污水泵出現堵塞的現象,而采用了一體化生活污水提升設備之后就完全避免了此類現象的出現。
一體化生活污水提升設備結構圖如下:

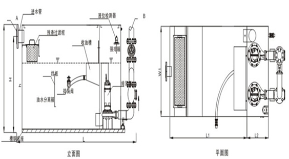
三、油水分離污水處理設備
油水分離設備不需要任何協助動力設備就能把油與水自然分離,油水分離污水處理設備使用范圍特別廣泛:油水分離處理設備適應于各行各業的油水分離之用。 :油水分離污水處理設備安裝使用比較簡單,對該設備不了解的用戶只要見了該設備之后就能自己安裝使用,在安裝過程中不會損壞建筑結構;該油水分離污水處理設備可以配置控制系統達到監控分離之后的漂浮廢油情況,達到實現確定排油的時間。油水分離污水處理設備里面有兩臺提升泵,結合自動控制柜的控制功能下,能實現兩臺污水泵交替運行,控制柜包含過載保護、高液位位報警、有故障能自動提示報警的功能。油水分離污水處理設備還可以多配置一臺備用污水泵,可以方便排出意外來水。
油水分離污水處理設備結構圖如下

還可根據要求,另外配置除油渣、刮油、加熱等輔助功能設備。
除油渣功能:可以把污水內的殘渣自動收集起來與污水一起排掉,不需要人工進行清理。
刮油功能:可以把浮在污水表面的浮油層自動掛掉、并集中在集油槽內。
加熱功能:把集油槽與管道里面的浮油加熱到20度左右,使其凝固的油融化掉,融化之后方便排出油脂,加熱功能特別適應于在溫度較低的地區使用。